Hidrolik Silindir Rot Pistonları, hidrolik silindirlerde piston ve gövde bağlantısını güvenli şekilde sabitlemek için kullanılan, çakma yöntemiyle monte edilen özel somunlardır.
| NO | Ürün Kodu Product code Код продукта |
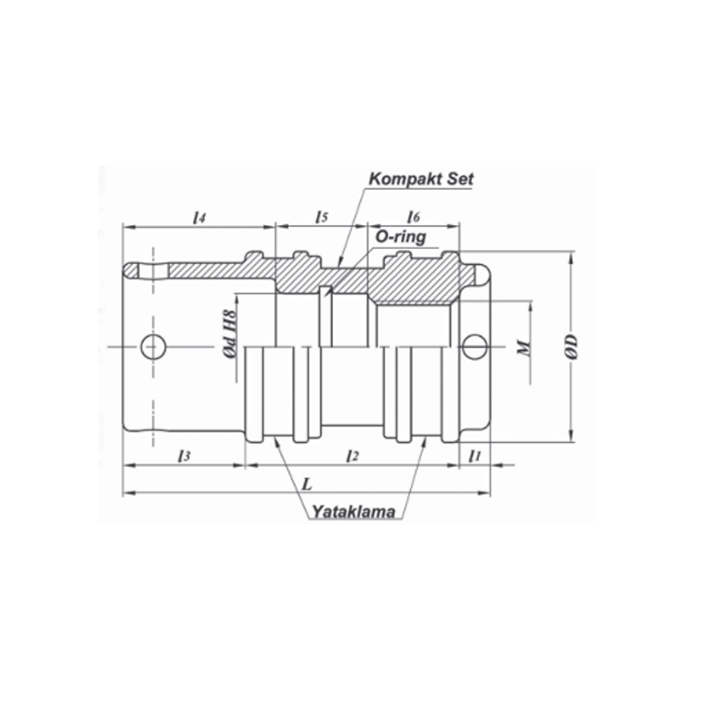
ØD | Ød | M | L | I1 | I2 | I3 | I4 | I5 | I6 | Kompakt Set (K18) Compact Set Компактный набор |
O-ring (70shr) O-rings О-образные кольца |
Yataklama (K68) Bearing (K68) Подшипник (K68) |
|---|---|---|---|---|---|---|---|---|---|---|---|---|---|---|
| 1 | ÇMS-P/rt-63-35 | 63 | 35 | M30x2 | 120 | 10 | 70 | 40 | 50 | 30 | 30 | 63x51x20,5/4,2 | 35x3 | 63x58x9,8 |
| 2 | ÇMS-P/rt-70-40 | 70 | 40 | M35x2 | 120 | 10 | 70 | 40 | 50 | 30 | 30 | 70x58x20,5/4,2 | 40x4 | 70x65x9,5 |
| 3 | ÇMS-P/rt-80-45 | 80 | 45 | M40x2 | 120 | 10 | 70 | 40 | 50 | 30 | 30 | 80x66x22,4/5,2 | 45x4 | 80x75x9,5 |
| 4 | ÇMS-P/rt-90-50 | 90 | 50 | M45x2 | 120 | 10 | 70 | 40 | 50 | 30 | 30 | 90x76x22,4/5,2 | 50x4 | 90x84x12,5 |
| 5 | ÇMS-P/rt-100-50 | 100 | 50 | M45x2 | 120 | 10 | 70 | 40 | 50 | 30 | 30 | 100x86x22,4/5,2 | 50x4 | 100x94x12,5 |
| 6 | ÇMS-P/rt-110-60 | 110 | 60 | M55x2 | 120 | 10 | 70 | 40 | 50 | 30 | 30 | 110x96x22,4/5,2 | 60x5 | 110x104x12,5 |
| 7 | ÇMS-P/rt-115-60 | 115 | 60 | M55x2 | 120 | 10 | 70 | 40 | 50 | 30 | 30 | 115x101x22,4/5,2 | 60x5 | 115x109x12,5 |
| 8 | ÇMS-P/rt-120-70 | 120 | 70 | M65x2 | 120 | 10 | 70 | 40 | 50 | 30 | 30 | 120x106x22,4/5,2 | 70x5 | 120x114x12,5 |
| 9 | ÇMS-P/rt-125-70 | 125 | 70 | M65x2 | 120 | 10 | 70 | 40 | 50 | 30 | 30 | 125x103x26,5/5,1 | 70x5 | 125x119x12,5 |
| 10 | ÇMS-P/rt-130-80 | 130 | 80 | M75x2 | 120 | 10 | 80 | 30 | 50 | 30 | 30 | 130x105x25,4/6,35 | 80x5 | 130x124x12,5 |
| 11 | ÇMS-P/rt-140-80 | 140 | 80 | M75x2 | 120 | 10 | 80 | 30 | 50 | 30 | 30 | 140x123x26,5/7,2 | 80x5 | 150x144x12,5 |
| 12 | ÇMS-P/rt-150-80 | 150 | 80 | M75x2 | 120 | 10 | 80 | 30 | 50 | 30 | 30 | 150x125x25,4/6,35 | 80x5 | 160x155x9,5 |
| 13 | ÇMS-P/rt-160-80 | 160 | 80 | M75x2 | 120 | 10 | 80 | 30 | 50 | 30 | 30 | 160x143x26,5/7,2 | 80x5 | 160x155x9,5 |